Một hệ thống băng tải thường là huyết mạch trong khả năng của công ty để di chuyển hiệu quả sản phẩm của mình một cách kịp thời. Các bước mà một công ty có thể làm để đảm bảo rằng băng tải thực hiện công suất cao nhất, bao gồm kiểm tra bảo dưỡng thường xuyên và kiểm tra hệ thống, giám sát chặt chẽ của động cơ, giảm thiểu, giữ bộ phận quan trọng trong kho, và đào tạo thích hợp nhân viên vận hành và sửa chữa bảo hành. Muốn vậy trước tiên ta phải biết Cấu tạo băng tải như thế nào?
Để vận chuyển những vật phẩm có dạng cục, hạt bột như: quặng đá, than, cát, sỏi… làm việc nhờ lực ma sát giữa bề mặt đai và tang dẫn, một băng tải thường được cấu tạo bởi ba bộ phận chính. Hãy theo dõi bài viết dưới đây để tìm hiểu nhé.
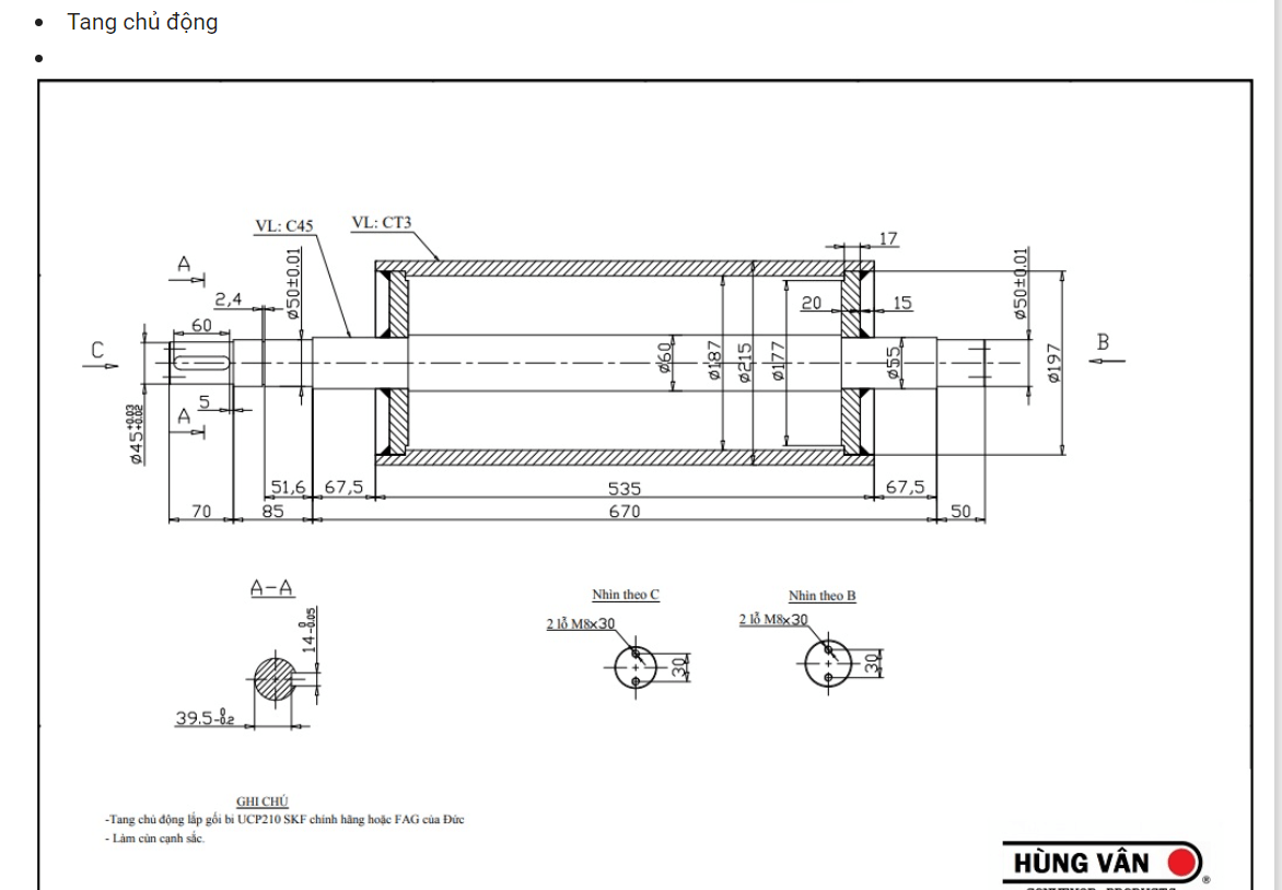
Bản vẽ và cấu tạo khung băng tải công nghiệp
.png)
1. Khung băng tải:
- Khung băng tải khung nhôm định hình: được ưu chuộng trong công nghiệp sản xuất lắp ráp điện tử, máy tính chịu tải trọng nhẹ và vừa vào những năm gần đây vì ưu điểm đẹp, nhẹ, tính linh hoạt cao dễ thay đổi kết cấu theo yêu cầu sản xuất.
- Khung băng tải Inox: Thường dung trong các môi trường chịu hóa chất bụi bẩn như công nghiệp chế biến thực phẩm, hàng không vũ trụ, dược phẩm, hóa chất, đóng chai và đóng hộp…
- Khung băng tải Thép mạ kẽm và thép sơn tĩnh điện: ưu điểm kinh tế và chịu được mọi tải trọng khác nhau. Thường sử dụng trong công nghiệp ô tô, xe máy, hoàn thiện in ấn và bao bì…
2. Dây băng tải:
Tùy theo tải trọng và yêu cầu của sản phẩm ta thường dùng dây băng PVC hoặc dây băng PU dày dày từ 1- 5mm. Đối với băng tải chịu tải nặng ta dùng dây băng tải cao su.
3. Con lăn kéo băng tải
Được làm bằng chất liệu inox, thép mạ kẽm hoặc nhôm. Có các đường kính tiêu chuẩn: Ø50, Ø60, Ø76, Ø89, Ø102 …
4. Con lăn đỡ băng
Đỡ mặt trên và mặt dưới bằng inox hoặc thép mạ kẽm, có các đường kính Ø25, Ø32 và Ø38.
5. Truyền động từ động cơ vào trục công tác bằng bộ truyền xích hoặc đai
6. Động cơ băng tải hiện nay thường dung 2 loại phổ biến:
- Động cơ liền hộp giảm tốc có dải công suất từ 25W đến 200W.
- Động cơ và hộp giảm tốc tách rời, dải công suất thường từ 0.37KW đến 2.5KW.
7. Bộ điều khiển tốc độ
Gồm biến tần, sensor, timer, cảm biến, PLC…
8. Tấm đỡ belt:
Thường làm bằng vật liệu inox, thép mạ kẽm hoặc nhôm tấm chấn ghấp.
9. Các gối bi đỡ của con lăn
.png)
10. Đối với các loại băng tải khác thì còn một số bộ phận khác như:
- Băng tải xích có xích nhựa và xích inox, tấm đỡ xích.
- Băng tải lưới có: lưới băng tải và cơ cấu đỡ xích lưới.
- Băng tải con lăn có con lăn tự do hoặc con lăn truyền chuyển động.
- Băng chuyền, Line sản xuất, dây chuyền tự động hóa có thêm bàn thao tác và hệ thống khí nén, hệ thống điện, bộ phận băng tải sấy sản phẩm, tấm đỡ sản phẩm…
Hãy đến với Hùng Vân, Bạn hoàn toàn có thể an tâm và tin tưởng. Với đội ngũ thiết kế dày kinh nghiệp thiết kế trên các phần mềm 3D tiên tiến, tất cả các bộ phận đều được thiết kế hài hòa, khoa học, tối ưu nhất có thể để mang lại cho bạn một hệ thống băng tải năng suất cao nhất.
.png)
.png)
.png)
.png)
.png)
.png)
.png)
Việt Thống Hưng Thịnh là đơn vị chuyên sản xuất và cung cấp đến thị trường tất cả các loại băng tải hàng với chất lượng đạt chuẩn. Hi vọng bài viết của chúng tôi sẽ giúp được cho các bạn trong quá trình làm việc cũng như nghiên cứu học tập. Liên hệ qua hotline 0355 468 468 để được tư vấn.

